




地址:浙江省樂清市北白象金爐工業區海磁工業園
Tel:0577-62887921
Fax:0577-62888129
E-Mail:haiciele@126.com
您的位置:海磁首頁 - 產品總匯 - 10KV(JYN)扁觸頭系列
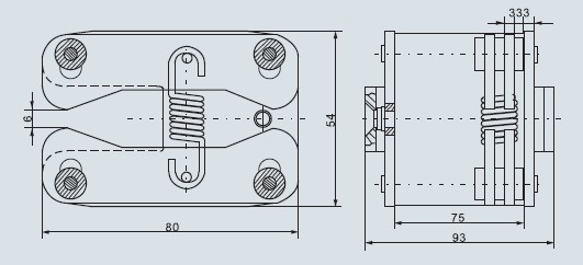
產品編號:HCB304 名稱:GC6-1250A拉簧式扁觸頭 觸片數量:24片
接觸板厚度:10mm 插入深度:34±2
結構特點:
■環狀彈簧壓力均勻;
■采用進口無磁不銹鋼材料,避免渦流;
■刷鍍厚銀,抗磨力強;
■防變色處理,避免銀層氧化脫落;
■靜觸頭插入深度參考尺寸:34±2mm。